Potenciální transformátor PT
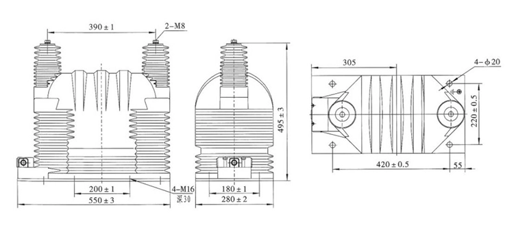
33kv vysokonapěťový jednofázový potenciální transformátor
  • 33kv vysokonapěťový jednofázový potenciální transformátor33kv vysokonapěťový jednofázový potenciální transformátor

33kv vysokonapěťový jednofázový potenciální transformátor

Wenzhou XiFa Electric Power Equipment Co., Ltd je zkušený výrobce na výrobu 33kv vysokonapěťového jednofázového potenciálového transformátoru a proudového transformátoru. Wenzhou XiFa používá vysoce kvalitní pryskyřici k dosažení lepšího výkonu na izolaci, jako je dlouhodobý provoz pod vysokým napětím bez poruchy nebo částečného vybití. Každý 33kv vysokonapěťový jednofázový potenciálový transformátor je nezbytný k odlévání epoxidové pryskyřice ve vakuu, aby se dosáhlo delší životnosti na 20 nebo 30 let. Před dodáním je nezbytné změřit základní technické specifikace, jako je výdržné napětí napájecí frekvence, částečný výboj, izolační odpor, přesnost, polarita a nárůst teploty.

Vlastnosti produktu:

1. Strukturálně lze 33kv vysokonapěťový jednofázový potenciálový transformátor považovat za transformátor s nízkou kapacitou a vysokým poměrem. Na rozdíl od výkonového transformátoru však  apotenciální transformátornepřenáší energii pro napájení zátěže. Místo toho hraje důležitou roli při měření a ochraně.

2. Sekundární obvod je připojen k měřicím přístrojům, ochranným relé a automatickým zařízením, jejichž napěťové cívky mají extrémně vysokou a v podstatě konstantní impedanci. Výsledkem je, že sekundární proud je minimální, podobně jako stav bez zátěže výkonového transformátoru. Spotřeba energie 33kv vysokonapěťového jednofázového potenciálového transformátoru je extrémně nízká a sekundární napětí zůstává prakticky stejné jako indukované EMF, které je určeno konstantním primárním napětím. Zajišťuje požadovanou úroveň přesnosti pro měření napětí.

3. Sekundární vinutí potenciálních transformátorů nesmí být nikdy zkratováno. Za normálního provozu je zátěž 33kv vysokonapěťového jednofázového potenciálového transformátoru zařízení s vysokou impedancí, ale pokud dojde ke zkratu, jediným omezujícím faktorem je impedance vinutí. To může vést k nadměrně vysokému zkratovému proudu, což způsobí nesprávné odečty měřiče, chybné operace relé nebo dokonce trvalé poškození výkonového transformátoru.

4. Svorka sekundárního vinutí i vinutí nulové složky musí být uzemněna. Pokud nedojde k uzemnění, chyba na primárním systému by mohla způsobit nebezpečně vysoká napětí na těchto vinutích, což představuje vážné riziko pro připojené přístroje, relé a bezpečnost personálu.

33kv High Voltage Single Phase Potential Transformer

Technická specifikace:

Typ Jmenovitý poměr napětí (kV) Třída přesnosti Třída přesnosti a jmenovitý výstup cosΦ=0,8 Max. Výstup (VA)
0.2 0.5 1 3
JDZ9-35Q 35/0,1 0,2 0,5 1 3 30 120 240 600 1200
35/0,1/0,1 0,2/0,2 (0,5) 30 30 N/A N/A 600
0,5/0,5 N/A 60

33kv High Voltage Single Phase Potential Transformer

Nejčastější dotazy k produktu:

Otázka: Jaká je jmenovitá zátěž 33kv vysokonapěťového jednofázového potenciálového transformátoru?

A: Jmenovitá zátěž se obecně pohybuje od 25 VA do 200 VA v závislosti na aplikaci. Zajišťuje stabilní přesnost pro měřicí přístroje a ochranná relé bez přetížení transformátoru.


Otázka: Jak je uzemněn 33kv vysokonapěťový jednofázový potenciální transformátor?

Odpověď: Sekundární vinutí je obvykle uzemněno v jednom bodě, aby se zachoval referenční potenciál a byla zajištěna bezpečnost. pomáhá vyhnout se plovoucím napětím a snižuje riziko selhání izolace.


Otázka: Lze připojit jednofázové PT pro třífázové měření?

A: Samozřejmě. U třífázového systému mohou být tři jednofázové PT zapojeny do hvězdy nebo otevřeného trojúhelníku, což závisí na tom, zda je třeba monitorovat napětí mezi fází a zemí nebo ne.




Hot Tags: Dodavatel vysokonapěťového jednofázového potenciálového transformátoru 33kv, velkoobchodní prodej vysokonapěťového jednofázového transformátoru, výrobce průmyslového potenciálového transformátoru
Odeslat dotaz
Kontaktní informace

Chcete-li získat svou nabídku co nejdříve

XiFa-váš spolehlivý dodavatel elektrických zařízení
X
Používáme cookies, abychom vám nabídli lepší zážitek z prohlížení, analyzovali návštěvnost webu a přizpůsobili obsah. Používáním tohoto webu souhlasíte s naším používáním souborů cookie. Zásady ochrany osobních údajů
Odmítnout Přijmout