Potenciální transformátor PT
25 Kv Instrument Elektromagnetický Pt potenciálový transformátor
  • 25 Kv Instrument Elektromagnetický Pt potenciálový transformátor25 Kv Instrument Elektromagnetický Pt potenciálový transformátor

25 Kv Instrument Elektromagnetický Pt potenciálový transformátor

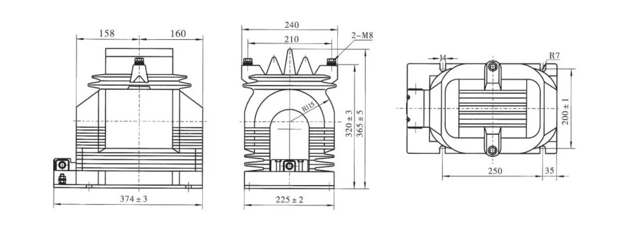
Společnost Wenzhou XiFa Electric Power Equipment Co., Ltd má více než 10 let na výrobu potenciálových transformátorů z epoxidové pryskyřice a proudových transformátorů, jako je 25 kv přístrojový elektromagnetický pt potenciálový transformátor. Potenciální transformátor 25 kv je určen pro specifická regionální síťová napětí, jako je Severní Amerika a některé americké země. Ačkoli je označen 25kv přístrojový elektromagnetický pt potenciálový transformátor, přijatý standard je 24kv. Wenzhou XiFa Electric Power Equipment Co., Ltd má řadu vyspělých konstrukčních řešení přesnosti, izolace a mechanické pevnosti k dosažení 25 kv přístrojového elektromagnetického pt potenciálového transformátoru, který má delší životnost.

Tipy po zakoupení apotenciální transformátor:

1.Před uvedením do provozu musí 25 kv přístrojový elektromagnetický pt potenciálový transformátor projít všemi zkouškami a kontrolami, jak to vyžadují příslušné normy a postupy. Ty obvykle zahrnují střídavý dielektrický test, test izolačního odporu, test poměru a vizuální kontrolu.

2. Správné zapojení 25 kv přístrojového elektromagnetického pt potenciálového transformátoru je nezbytné. Primární vinutí by mělo být zapojeno paralelně s měřeným obvodem, zatímco sekundární vinutí musí být zapojeno paralelně s napěťovými cívkami měřicích přístrojů, ochranných relé nebo automatických zařízení. Mezitím je třeba věnovat pozornost zachování správné polarity.

3. Zátěž připojená k sekundárnímu transformátoru potenciálu 25 kv musí být v rámci jeho jmenovité kapacity. Překročení jmenovité sekundární zátěže může způsobit zvýšené chyby měření a dokonce ovlivnit přesnost odečtů.

4. Zkratování sekundárního transformátoru potenciálu 25 kv je přísně zakázáno. Protože PT má velmi nízkou vnitřní impedanci, může sekundární zkrat generovat extrémně vysoké proudy, potenciálně poškodit sekundární zařízení a představovat vážné bezpečnostní riziko. Aby se předešlo takovému poškození, je nutné nainstalovat pojistky na sekundár PT. Je-li to možné, měly by být také použity pojistky na primární straně k ochraně vysokonapěťové sítě v případě poruchy primárního vinutí nebo vedení.

5.Pro bezpečnost osob manipulujících s měřicími přístroji nebo relé musí být sekundární vinutí PT v jednom bodě uzemněno. Může zabránit osobní bezpečnosti před vznikem vysokého napětí v přístrojích a relé při poškození izolace mezi primárním a sekundárním vinutím po uzemnění.

6. Za žádných okolností nesmí být sekundární obvod PT zkratován.

25 Kv Instrument Electromagnetic Pt Potential Transformer

Technická specifikace:

Typ Jmenovitý poměr napětí (kV) Třída přesnosti Třída přesnosti a jmenovitý výstup cosΦ=0,8 Max. Výstup (VA)
0.2 0.5 3 (P)
JDZ11-15 15/0,1 0,2 0,5 1 30 80 150 600
JDZ11-20 20/0,1
JDZ11-15 15/0,1/0,1 0,2/0,2 0,2/0,5 0,5/0,5 20 30 N/A 2*300
JDZ11-20 20/0,1/0,1
JDZ11-15 15/0,1/0,22 0,2/3P 0,5/3P 30 60 100 500
JDZ11-20 20/0,1/0,22

25 Kv Instrument Electromagnetic Pt Potential Transformer

Nejčastější dotazy k produktu:

Otázka: Jaké je standardní sekundární jmenovité napětí pro elektromagnetické zařízení 25 kVpt potenciální transformátor?

A: Standardní sekundární napětí pro 25 kV přístrojový elektromagnetický pt potenciálový transformátor je typicky 110 V. Tato standardizace zajišťuje kompatibilitu s měřicím a ochranným zařízením, aby bylo možné přesné měření napětí a bezpečný provoz v rámci elektrického napájecího systému.


Otázka: Může přístrojový elektromagnetický pt potenciálový transformátor 25 kV pracovat nepřetržitě při 115 % svého jmenovitého napětí?

Odpověď: Ano, potenciálový transformátor 25 kV je schopen nepřetržitě pracovat při 115 % svého jmenovitého napětí, pokud sekundární zátěž nepřekročí tepelnou jmenovitost transformátoru. Tato schopnost umožňuje dočasné přepětí bez ovlivnění integrity PT.


Otázka: Jaká je typická třída izolace pro 25 kV přístrojový elektromagnetický pt potenciálový transformátor?

Odpověď: Potenciální transformátor 25 kV má obvykle izolační třídu, která mu umožňuje odolat napětí až 25 kV. Izolační systém je navržen tak, aby zvládal elektrické namáhání, ke kterému dochází během normálních a poruchových podmínek, a zajišťuje spolehlivý provoz a bezpečnost.





Hot Tags: Výrobce elektromagnetického transformátoru potenciálu 25 kv pro nástroje, dodavatel transformátoru potenciálu pro elektromagnetické PT, velkoobchod s transformátorem potenciálu pro instrument PT
Odeslat dotaz
Kontaktní informace

Chcete-li získat svou nabídku co nejdříve

XiFa-váš spolehlivý dodavatel elektrických zařízení
X
Používáme cookies, abychom vám nabídli lepší zážitek z prohlížení, analyzovali návštěvnost webu a přizpůsobili obsah. Používáním tohoto webu souhlasíte s naším používáním souborů cookie. Zásady ochrany osobních údajů
Odmítnout Přijmout