Proudový transformátor CT
Typ prstencového transformátoru proudu Ct nulové sekvence
  • Typ prstencového transformátoru proudu Ct nulové sekvenceTyp prstencového transformátoru proudu Ct nulové sekvence
  • Typ prstencového transformátoru proudu Ct nulové sekvenceTyp prstencového transformátoru proudu Ct nulové sekvence

Typ prstencového transformátoru proudu Ct nulové sekvence

K výrobě kvalitního koblihového transformátoru proudu s nulovou sekvencí ct společnost Wenzhou XiFa Electric Power Equipment Co., Ltd přijímá suroviny s dobrou kvalitou a konkurenceschopnou cenou. V procesu navíjení používá Wenzhou XiFa bezkyslíkový měděný smaltovaný drát, aby byla zajištěna elektrická vodivost a mechanická pevnost pro každý typ prstence transformátoru proudu s nulovou sekvencí. Mezitím v procesu výroby jádra Wenzhou XiFa používá křemíkový ocelový plech s vysokou magnetickou permeabilitou, aby si zachoval vynikající výkon při citlivé reakci na malý proud s nulovou složkou.

Transformátor proudu CT s nulovou složkou je jednozávitové, průchozí zařízení používané v energetických systémech ke sledování proudů s nulovou složkou. Slouží jako kritická součást ochranných reléových systémů, která se primárně používá pro detekci zemních poruch, svodových proudů a monitorování izolace. Snímáním vektorového součtu tří fázových proudů a výsledného proudu s nulovou složkou může proudový transformátor ct s nulovou složkou spouštět ochranné operace a propojit se s nízkoproudovými uzemňovacími voliči, digitálními zařízeními pro potlačení harmonických složek a reléovými ochrannými jednotkami, aby poskytl výstrahy o poruchách a odpojil napájení.

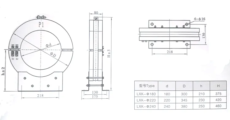
Konstrukčně se proudový transformátor ct s nulovou sousledností skládá z toroidního jádra a sekundárního vinutí zapouzdřených v pouzdře z epoxidové pryskyřice nebo silikonové pryže, které nabízí odolnost proti vlhkosti a ochranu před znečištěním. Možnosti instalace zahrnují pevné , což vyžaduje předem protažené kabely a konstrukce s děleným jádrem, které umožňují dodatečnou montáž bez odpojování kabelů.

Je kompatibilní s napájecími systémy 50 Hz, což poskytuje citlivost a linearitu požadovanou pro různé konfigurace neutrálního bodu, včetně uzemněných a neuzemněných systémů. Transformátory proudu ct s nulovou sousledností se široce používají v inteligentních sítích, železniční dopravě, elektrických systémech budov a monitorování průmyslových zařízení, aby poskytovaly spolehlivou detekci poruch a ochranu systému.

Zero Sequence Ct Current Transformer Donut TypeZero Sequence Ct Current Transformer Donut Type

Typ Typ relé Metoda připojení Hodnota měřítka Primární proud Typ Typ relé Metoda připojení Hodnota měřítka Primární proud
LXK-Φ80 LXK-Φ100 LXK-Φ120 LXK-Φ150 DD11/60 Série 15*1 2,4-4,5 LXK-Φ180 LXK-Φ220 LXK-Φ240 DD11/60 Série 15*1 2,4-4,5
30*1 30*1
Paralelní 15*2 3-5 Paralelní 15*2 3-5
30*2 30*2
DD1/60 Série 15*1 3-5 DD1/60 Série 15*1 3-5
30*1 30*1
Paralelní 15*2 3-6 Paralelní 15*2 3-6
30*2 30*2

Zero Sequence Ct Current Transformer Donut Type

Nejčastější dotazy k produktu:

Otázka: Co je to prstencový transformátor proudu s nulovou složkou?

Proudový transformátor CT s nulovou složkou prstencového typu je zařízení s průchozím jádrem navržené pro detekci proudů s nulovou složkou ve třífázových systémech. Jeho toroidní jádro umožňuje primárnímu vodiči procházet středem a poskytuje nerušivé monitorování zemních poruch, svodových proudů a izolačních podmínek.

Otázka: Jaký je výstupní signál proudového transformátoru ct typu donut s nulovou posloupností?

Odpověď: Proudový transformátor s nulovou složkou ct prstencového typu převádí proud s nulovou složkou na proporcionální napětí nebo sekundární proud pomocí vysoce přesného vinutí a technologie Rogowského cívky. Tento výstup je kompatibilní s relé, měřiči a monitorovacími systémy pro rychlou a přesnou detekci poruch.

Otázka: Jaké jsou typické aplikace proudového transformátoru CT s nulovou složkou typu prstence?

A: proudový transformátor CT s nulovou složkou typu donut se běžně používá v:

1.Ochrana zemního spojení a detekce svodového proudu;

2. Monitorování neutrálního bodu v energetických distribučních soustavách;

3.Integrace s digitálními ochrannými relé, zařízeními pro potlačení harmonických složek a monitorovacími systémy inteligentní sítě.

4.Průmyslová zařízení, elektrické sítě budov a systémy železniční dopravy.




Hot Tags: Proudový transformátor CT s nulovou složkou, CT s prstencovým typem, transformátor s ochranou proti zemní poruše
Odeslat dotaz
Kontaktní informace

Chcete-li získat svou nabídku co nejdříve

XiFa-váš spolehlivý dodavatel elektrických zařízení
X
Používáme cookies, abychom vám nabídli lepší zážitek z prohlížení, analyzovali návštěvnost webu a přizpůsobili obsah. Používáním tohoto webu souhlasíte s naším používáním souborů cookie. Zásady ochrany osobních údajů
Odmítnout Přijmout